Language
EN
CN
0086 020-36969026
Home
Product
News
Case
About US
Contact US
Home
Product
News
Case
About US
Contact US
8"speaker
10"speaker
12"speaker
15"speaker
18"speaker
21"speaker
tweeter
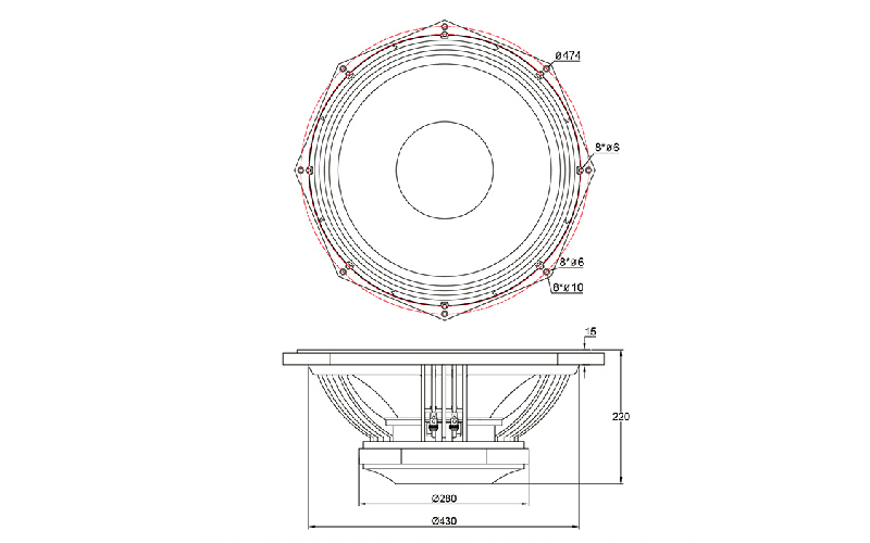
18"speaker
18EAU125-209
Parameter details
Click to consult
020-36969026